2025年度空军招飞高考前定选检测工作计划从4月下旬开始,具体参检考生及报到日期已通过教育部门和短信形式通知至考生本人及家长,请各位同学合理安排时间,按照要求做好准备。(不在名单上的学生不安排参加此次定选检测,待高考结束后估分达到特控线上,第一时间与沈阳招飞中心联系,另行安排检测。)
01
检测安排
空军招飞高考前定选检测于4月21日至25日在沈阳组织,包括体格检查、心理选拔,参选考生按照报到日15:00至15:30之间到沈阳招飞选拔中心报到(沈阳市沈河区万柳塘路51号),检测全程约3天。
02
方法程序
1.体格检查。根据《空军招收飞行学员体格检查标准》,对参选考生身体进行全面检测,检测期间实行全程淘汰。
2.心理选拔。依据《招收飞行学员心理检查要求与方法》,进行动态行为考察和面试检测。
03
注意事项
1.携带物品。参选考生须携带以下物品:
①身份证或户口簿;
②智能手机(报销车票用)、签字笔;
③参加复选时向考生明确提供相关病历的,需携带病历;
④墨镜(非必需),用于眼科散瞳后保护眼睛;
⑤穿着便于运动的衣服和鞋;
⑥个人洗漱用品。
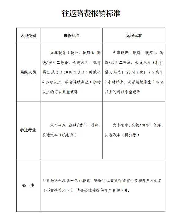
2.费用报销。考生检测期间不收取任何费用,食宿免费。
除沈阳市区考生外,其他地区考生往返路费(高铁二等座、客车票)按规定标准予以报销(标准附后),需提供本人纸质车票(行程单无法报销,车票需到车站打印,报到时需携带)。报销采取统一电汇形式,需提供工商
报到地址
地址:
辽宁省沈阳市沈河区万柳塘路51号(鸿翔宾馆后身400米)
咨询电话
报到咨询电话:024-24280378
车票报销咨询:024-24280368
政治考核咨询:024-28840312

高招云直播