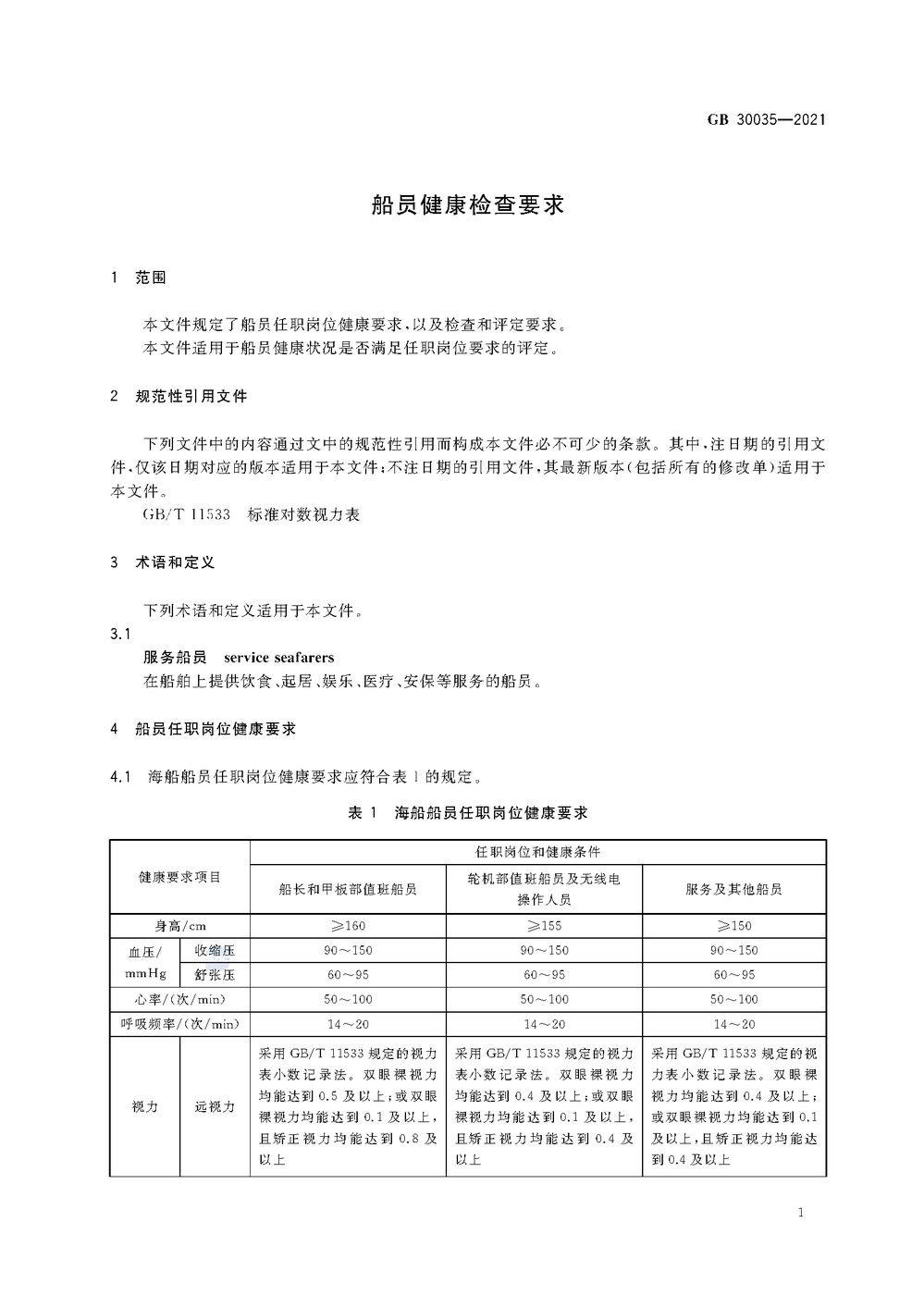
强制性国家标准《船员健康检查要求》(GB 30035-2021)(简称“船员体检新国标”)已由国家市场监督管理总局(国家标准化管理委员会)批准发布,自2022年6月1日起正式实施。






强制性国家标准《船员健康检查要求》(GB 30035-2021)(简称“船员体检新国标”)已由国家市场监督管理总局(国家标准化管理委员会)批准发布,自2022年6月1日起正式实施。






扫码下载APP
手机扫一扫下载APP